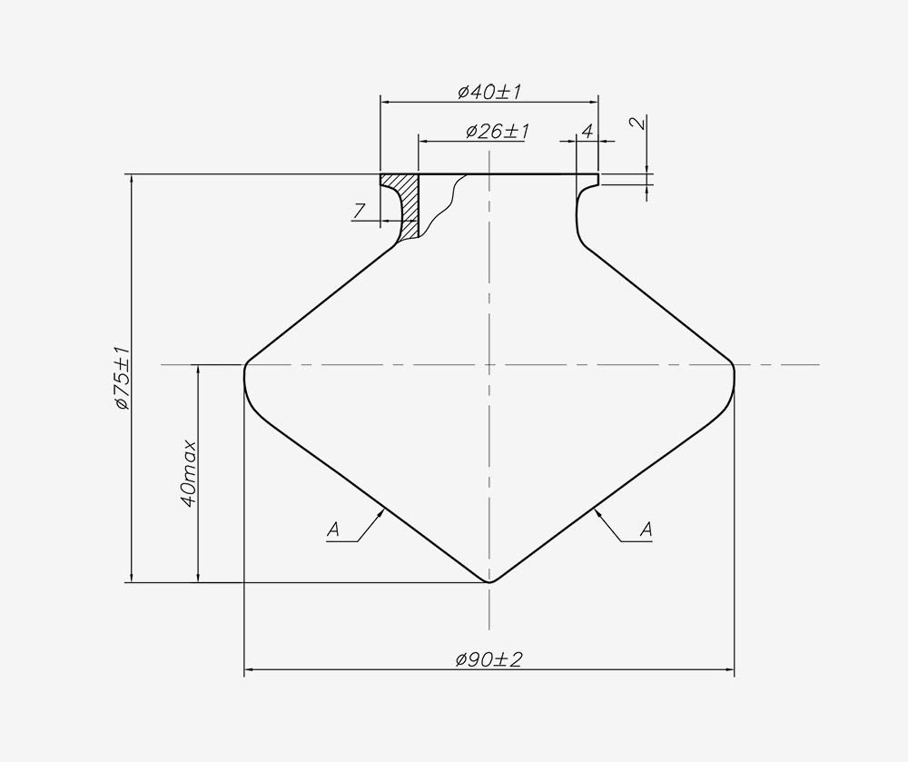
Характеристики:
- Размерh75/d92 мм
Основным назначением электрода является установление электрического контакта между электрическим проводником (кабель) и ионным проводником (земля) при изучении электрических полей. Неполяризующиеся электроды применяются, когда необходимо исключить мешающее влияние электродвижущей силы поляризации, возникающей на контакте металлических электродов с почвой. Изделия обладают длительным сроком службы, прочностью, термостойкостью, огнеупорными свойствами, устойчивостью к химическим соединениям.
